
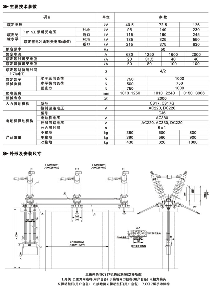
GW5-72.5戶外交流隔離開關為交流50Hz的戶外高壓電器設備,額定電壓等級 有40.5KV 72.5KV 和126KV,供高壓線路在無負載情況下進行開合,以及對被 檢修高壓母線、斷路器等電氣設備與帶電的高壓線路進行電氣隔離之用,也可用于開/合小的電容或電感電流。
本系列戶外隔離開關滿足GB1985《交流高壓隔離開關和接地開關》IEC60129《交流隔離開關和接地開關》以及GB/T11022《高壓開關設備和控制設備標準的共用技術要求》等標準的相關規定。
1.海拔高度不超過1000m,高原型不超過4000m;
2.環境溫度:-40℃~+40℃;
3.風速不大于35m/s;
4.地震烈度:8度;
5.覆冰厚度:≤10mm;
6.耐污產品適用于污穢地區;
7.不適用于有易燃物質、爆炸危險、化學腐蝕及劇烈震動的場所。
1)全部采用熱鍍鋅工藝防腐處理,熱鍍鋅不能保證配合要求轉動的部位一般均采用不銹鋼材料,緊固件M8以下采用不銹鋼,其余均采用熱鍍鋅。
2)導電部分銅管軟連接型,中間觸頭為“握手”式自力型觸指,彈簧外壓式無電流通過,隔離開關只有中間一個接觸點,其余均用軟連接固定聯結。
a.采用新的觸頭結構,將觸片一端與觸座固定,靠觸片變形及彈簧生產接觸壓力,使觸指末端的滑動接觸改為固定接觸,提高導電可靠性;
b.現場用戶無需焊接,無需備輔助材料,只提供安裝支架(訂貨時注明是否帶支架及高度)
3)轉動部分配有自潤滑套,無需潤滑脂。
4)主接線端子為平板型。
5)開關用支柱絕緣子強度密度大,穩定可靠,配方采用高強度瓷料制造,減少了產品強度的分散性,增加了產品的抗拉強度,結構設計時已對產品已有較大的強度預留度,使產品在運行中保證穩定可靠。


主要產品:GW5-72.5/630-20、GW5-72.5/1250-31.5、GW5-72.5/1600-31.5、GW5-72.5/2000-31.5等